Regulator CHR-1000
|
|
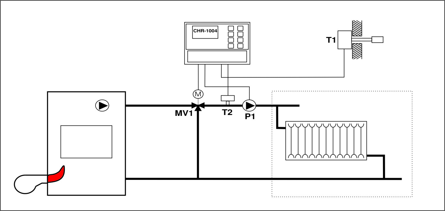
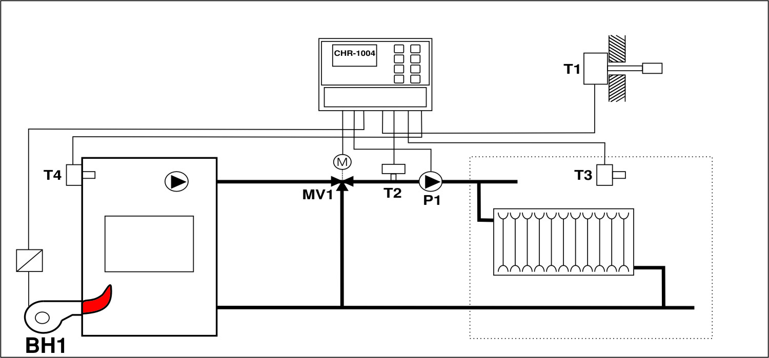
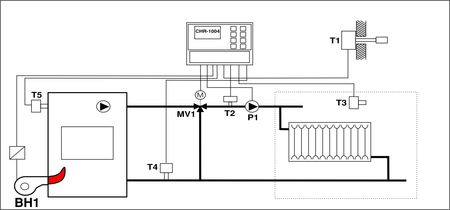
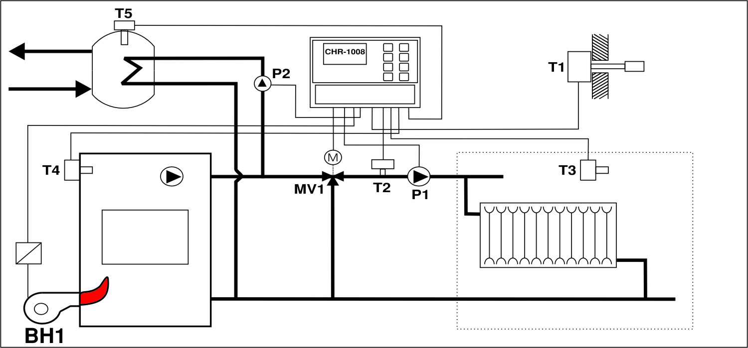
Regulator centralnog grijanja namijenjen je za regulaciju temperature prostorija i sanitarne vode u industriji i kućanstvima.
Uređaj je potpuno konfigurabilan te je s njime moguće ostvariti razne varijante regulacije (čvrsta vrijednost temperature kotla, čvrsta vrijednost polaznog voda, regulacija polaznog voda uz kompenzaciju vanjske temperature, regulacija odnosa, itd.).
Ima mogućnost priključka do 6 termo sondi (Pt1000, Pt500, Ni1000, Ni500, naponski ulaz 0-2-10V) na svoje analogne ulaze.
Po potrebi mogu se naručiti i druge vrste ulaza (Pt100, Ni100, strujni 0-4-20mA, itd.).

Tip kućišta - 144x72
Regulacija se vrši s 4 ili 8 izlaznih releja. Na zahtjev kupca, uređaj se isporučuje i s dva potpuno podesiva analogna izlaza.
Podešavanje regulatora vrši se preko tastature i grafičkog LCD displeja.
Kućište regulatora izvedeno je s IP65 zaštitom što sam uređaj štiti od vanjskih utjecaja.
Uređaj ima mogućnost priključka USB memorije kojom se omogućava prijenos podataka između uređaja (npr. Sistemskih parametara) kao i bilježenje temperature ulaznih sondi tijekom vremena.
Uređaj ima ugrađen precizan sat realnog vremena koji ima autonomnost nakon nestanka mrežnog napajanja.
U realnom vremenu moguće je podešavati 10 programa s po 10 segmenata.
Svakom programu pridodjeljuje se jedan period rada (period rada vezan je na godišnja doba ljeto/zima, itd. i programski je podesiv).
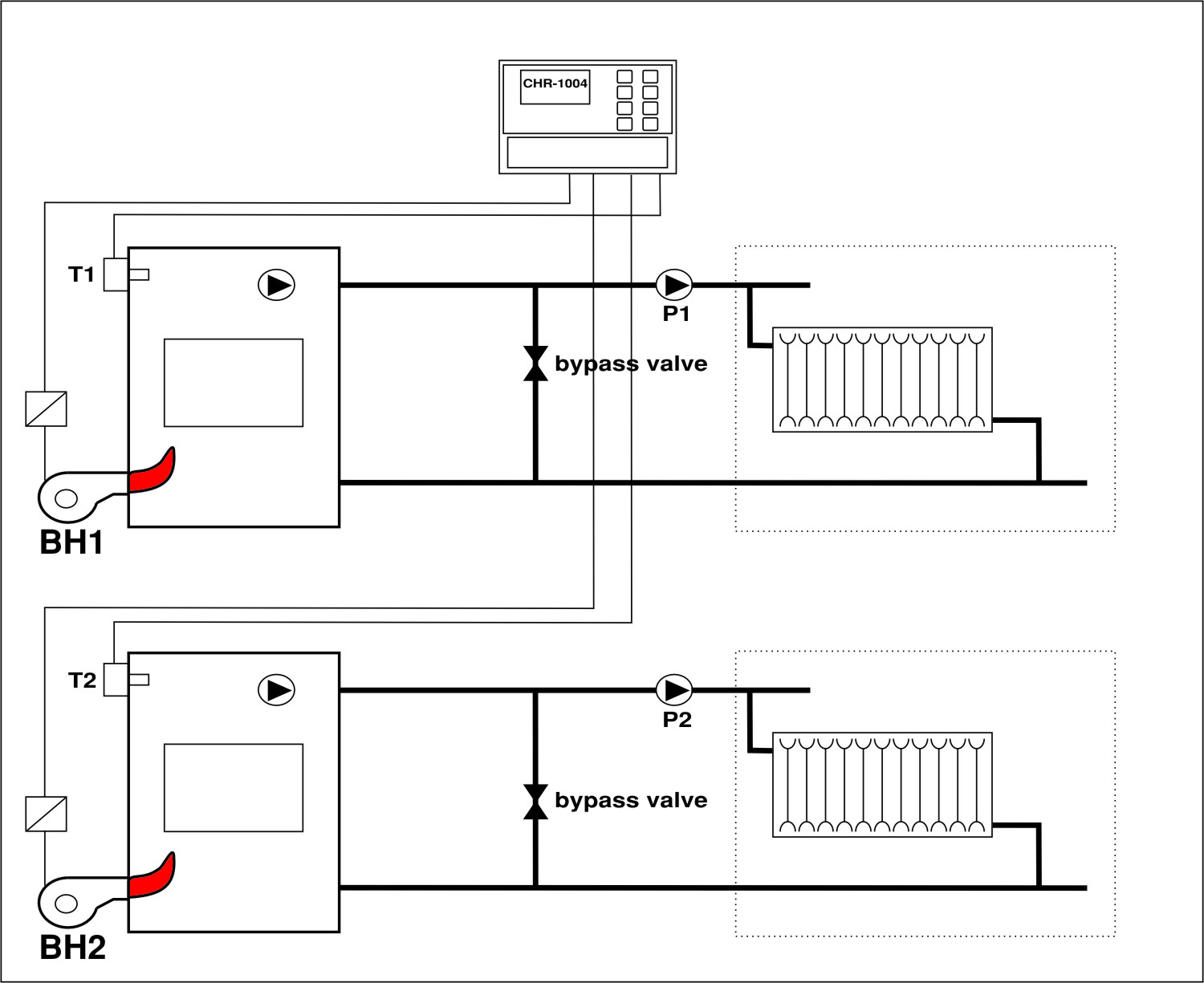
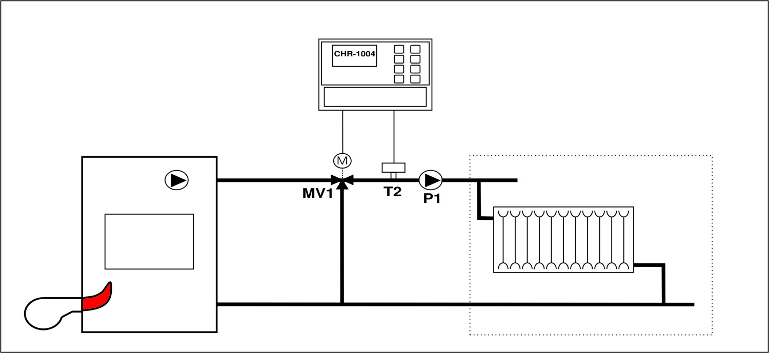
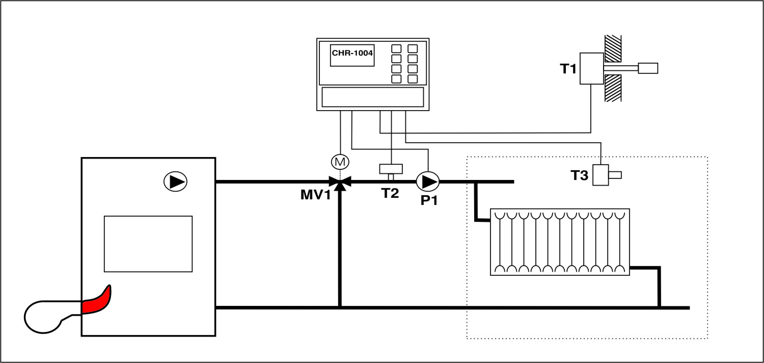
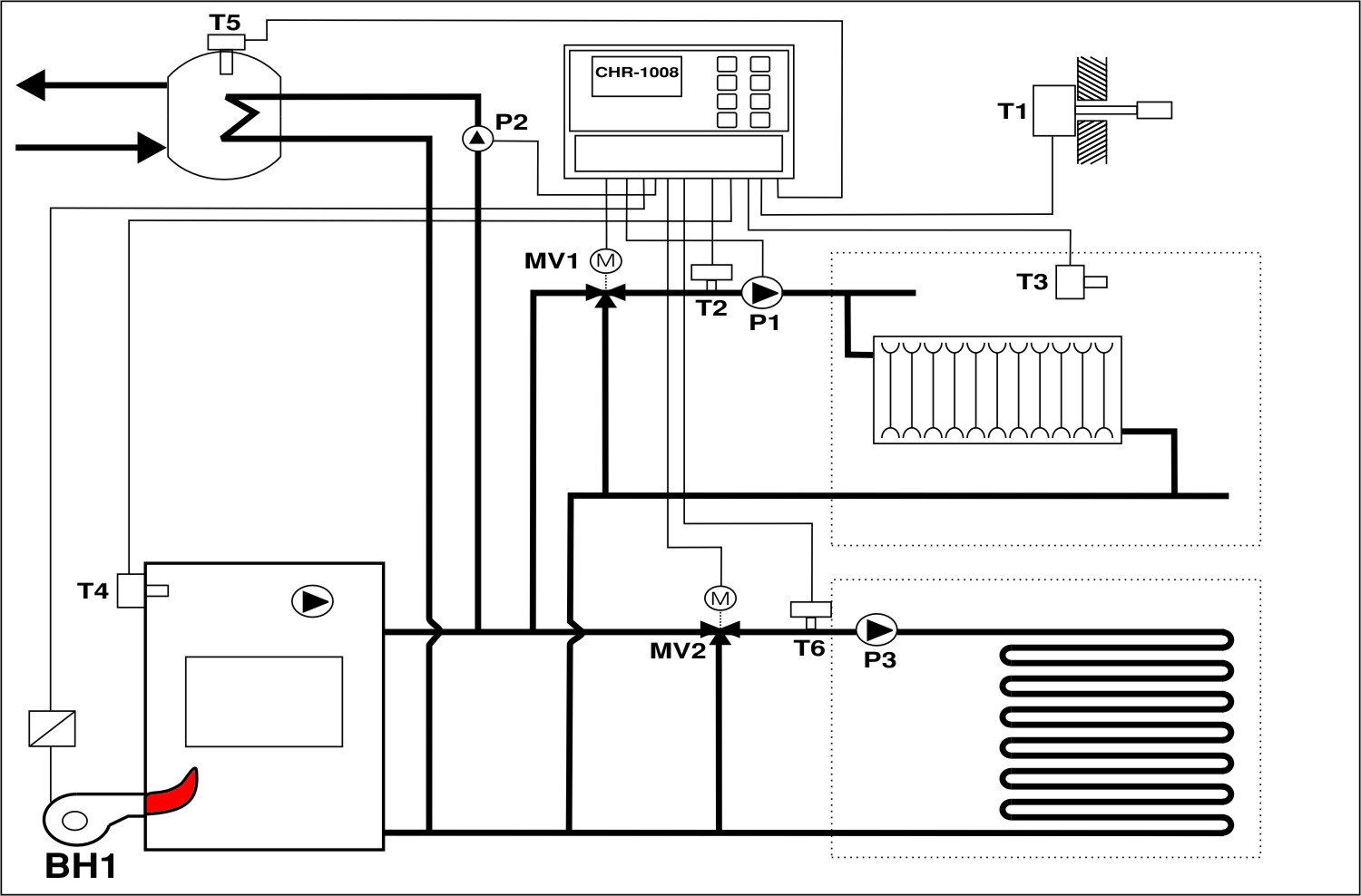
PRIMJERI RADA >>






| Dokumentacija: | |||||||||||||||||||||||||||||
| Potrebna je registracija za uvid u dokumentaciju | |||||||||||||||||||||||||||||
| Tehničke osobine | |||||||||||||||||||||||||||||
| Osnovna ploča | Tastatura s folijom | ||||||||||||||||||||||||||||
| Način ugradnje | Zidna ugrdnja | ||||||||||||||||||||||||||||
| Kućište | 172x16x103mm (model RCP 1600) |
||||||||||||||||||||||||||||
| Napajanje | 230V~ , 50Hz | ||||||||||||||||||||||||||||
| Točnost | 0.3 + 2 digit | ||||||||||||||||||||||||||||
| Pokazivanje | grafički LCD displej (128 x 64 pix) i 8 LED dioda | ||||||||||||||||||||||||||||
| Ulaz | ulaz 1,2,3,4 - Pt1000 ulaz 5 i 6 - Pt1000 ili 0-4-20mA (postavljanje granica pokazivanja L-d i H-d) ili 0-2-10V (postavljanje granica pokazivanja L-d i H-d) |
||||||||||||||||||||||||||||
| Izlaz | 4 ili 8 releja, 250 Vac/ 5 A 2x 0-4-20mA kontinuirani izlaz (opcionalno) 2x 0-2-10 V kontinuirani izlaz (opcionalno) RS-485 ModBUS (opcionalno) |
||||||||||||||||||||||||||||
| Regulacija | PID dvopoložajna/tropoložajna/odnosna, relejni kontakt 5A, 250 V + 2 alarma Kontinuirano 0-4-20mA 0-2-10V |
||||||||||||||||||||||||||||
| Funkcija regulacije | ON/OFF , P, PI, PD, PID, podesiva | ||||||||||||||||||||||||||||
| Podaci | Čuvanje podataka u E2 memoriji | ||||||||||||||||||||||||||||
Tablica tehničkih karakteristika omogučava kreiranje kataloškog broja a s time i izračun cijene.